關於我們
公司簡介
相關企業
公司位置
產品介紹
天線產品
開關產品
同軸電纜
RF 接頭
耳機插座
DC電源插座
無線模組
其他產品
OEM 產品
人員招募
新品上市
下載專區
最新消息
聯絡我們
語言
中文
English
首頁
水平式
首頁
產品介紹
開關產品
迷你滑動開關
水平式
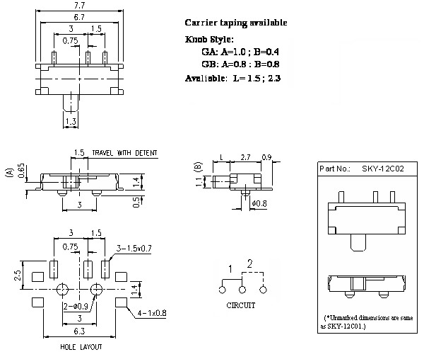
TSKY-12C01
代碼
TSKY-12C01
人氣
1260
加入詢價車
商品已
加入詢價車
TSKY-12C01
繼續詢價
前往詢價