您好!! 歡迎光臨~東省電機公司網站 , 我們是開關 & 天線 & 同軸電纜 專業生產及銷售的製造商 ,, 若有任何關於產品詢問...都歡迎與我們聯繫 !! 謝謝您!!
 

> > > >

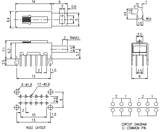
4P2T

14mm(L)*6.4mm(W)*7.1mm(H)

14mm(L)*6.4mm(W)*7.1mm(H)
*TRSA-42D02

*