您好!! 歡迎光臨~東省電機公司網站 , 我們是開關 & 天線 & 同軸電纜 專業生產及銷售的製造商 ,, 若有任何關於產品詢問...都歡迎與我們聯繫 !! 謝謝您!!
 

> > > >

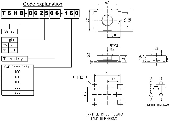
直立式

6.2mm(L)*6.5mm(W)*2mm(H)

6.2mm(L)*6.5mm(W)*2mm(H)
*TTSHB-063106

*